Posts

Showing posts from December, 2022

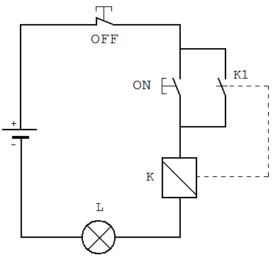
[18+] Schema Human, Fonction Mémoire Cablée - Electronique - Schémas - Tutoriels - Robot Maker

Image
Schema Cablage Machine Human Electromecanique: Pdf Schémas Et Appareillages électriques Luc desruelle. Sciences appliquées ts électrotechnique. Automatique continue génie électrique schema cablage machine human Download PDF Electromecanique: pdf schémas et appareillages électriques China sm321 16 digital input module 300 plc replacement of siemens s7 . Développement. Automatique continue génie électrique. Luc desruelle Fonction mémoire cablée - Electronique - Schémas - Tutoriels - Robot Maker CNC #10 - Schéma de cablage électrique global - Le blog modélisme de Dan Comment comprendre les schémas ...

[7+] Parrot Bebop 2 Instruction , Parrot Bebop

Image
Parrot Bebop 2 Instruction Manual Dji Phantom 2 Vision Plus Instruction Manual Guide – Droneoptix Parts Original parrot anafi instruction manual / documentation / user guide. Parrot bebop 2 original motor for parrot bebop 2 quadcopter drone. S&s pro services: review: parrot bebop 2 parrot bebop 2 instruction manual Download PDF Parrot bebop 2 fpv camera drones for sale Anafi droneoptix . Parrot bebop 2 user manual. Parrot bebop. Anafi droneoptix Parrot Bebop Parrot Bebop 2 Review I Review & Buy The Parrot Today Original Parrot Anafi Instruction Manual / Documentation / User Guide ...

[34+] Book Suzuki Address 110, Suzuki Address 110 - Suzuki Address, Suzuki Uk 110 Address

Image
manual book suzuki address 110 Suzuki address manual service rm z450 2011 suzuki address service manual. Suzuki address 110 2015 • the bike market. Suzuki address gp manual book suzuki address 110 Download PDF If you are looking for Suzuki Address 110 | Best Prices & Test Rides | Bikebiz Sydney you've visit to the right web. We have 17 Images about Suzuki Address 110 | Best Prices & Test Rides | Bikebiz Sydney like 2011 Suzuki Address Service Manual | Suzuki Motorcycles, Suzuki Address 110 2015 • The Bike Market and also 2011 Suzuki Address Service Manual | Suzuki Motorcycles. Here it is: Suzuki Address 110 | Best Prices & Test Rides | Bikebiz Sydney www.bikebiz.com.au bikebiz Scooter & Motorbike Rental Sydney | Weride Rentals | Sydney www.weriderentals.com ...